您好,欢迎来到苏州嘉宇机电科技有限公司官方网站!
13402666009
tom.tang@universalscien.com
网站首页
关于我们
流体输送设备
设备特色服务
机电工程专业分包
新闻中心
联系我们
0512-68053582
搜索更多信息
搜索
首页
>
流体输送设备
>>
恒压供水泵组系统
产品中心
空气压缩机
Atlas Copco ZH 和 ZH+ 离心式无油空气压缩...
Atlas Copco ZHL 单级离心压缩机 单级高速压...
Atlas Copco 油润滑型螺杆空气压缩机
Atlas Copco ZR 和 ZT 无油螺杆空气压缩机
Atlas Copco SF和SF+涡旋式无油空气压缩机
真空泵
ANLET 安耐特真空泵 FT6-P系列(空冷式)
Atlas Copco 阿特拉斯科普柯真空泵DWS 450V...
ANLET 安耐特真空泵 CT6-P系列
ANLET 安耐特真空泵 FT4-LE系列(空冷式)
ANLET 安耐特真空泵 CT4-LE系列
单级端吸离心泵(联轴器&...
TERAL SJ4(-e)型
TERAL LS2-eLS-eLM-e型
KSB Etanorm型
TERAL SBSB4(-e)型
EBARA FSC型FSSC型(不锈钢)
变频端吸离心泵(联轴器&...
KSB Etachrom BL型
GRUNDFOS NBENBGE型
KSB Etabloc型
KSB Etanorm R型
双吸离心泵
FOWSERVE TKL 型
EBARA CB型
FOWSERVE UZDL 型
EBARA CNC型/TERAL DHH型
GRUNDFOS LSV型
多级离心泵
Multistage centrifugal pump - ...
GRUNDFOS CRT型
GRUNDFOS CM型
GRUNDFOS CR,CRN高压型
GRUNDFOS CR,CRI,CRN型
多级浸入式离心泵
Multistage submersible centrif...
Multistage submersible centrif...
GRUNDFOS TP型
GRUNDFOS MTA型
GRUNDFOS MTS型
恒压供水泵组系统
GRUNDFOS CMBE型
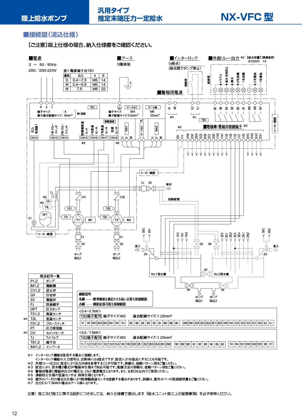
TERAL NX-VFC型
GRUNDFOS Hydro Multi-E 型
GRUNDFOS Hydro Multi-B 型
TERAL NX-VFC台数制御型
单级立式管道泵
Single - stage vertical Variab...
数字隔膜计量泵
Mechanical and hydraulic diaph...
GRUNDFOS DDA型
GRUNDFOS DME,DMS型
GRUNDFOS DDC型
单级端吸式卫生泵
GRUNDFOS F&B-HYGIA型
GRUNDFOS Euro-HYGIA型
潜污泵
Drainage and sewage pumps排水和污水...
Cutting-type sewage pump切割型排污泵
Full range of submersible sewa...
Heavy-duty submersible sewage ...
Resin-made submersible pump树脂制...
搅拌器和推流器
GRUNDFOS AMD,AMG,AFG型
大中型污水提升系统
家用小型污水提升站
GRUNDFOS Multilift
磁力泵
Gemmecotti Armek HTM SP – 自吸式磁...
Gemmecotti Armek HTM SS 316 – ...
Gemmecotti Armek 磁力泵 HTM PPPVD...
冷却塔
开式冷却塔
闭式冷却塔
阀门
WATTS 沃茨阀门
FLOWSERVE 福斯阀门
TERAL NX-VFC型
高性能·省能源·省空间,安心且优质的给水系统
立即联系我们
产品特点
上一个
下一个