您好,欢迎来到苏州嘉宇机电科技有限公司官方网站!
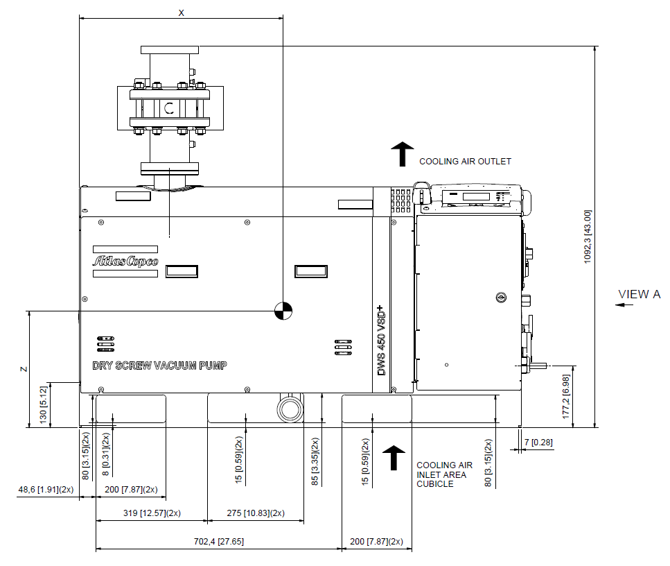
DWS VSD+ 干式螺杆真空泵 450VSD+
阿特拉斯·科普柯在推动工业创新方面的传统让我们得以设计出 DWS VSD⁺ 干式螺杆泵,这是我们创新型工业干式泵系列的重要补充。DWS VSD⁺ 系列采用智能而简约的设计,经久耐用,可提供出色的性能,运用了简单控制的理念,并可降低维护成本。
具有更高的运行性能和稳定的真空度
由于粗抽速度提高,极限压力低至 <10-2,可提高生产效率并缩短抽真空时间。
坚固耐用的设计,适用于恶劣的工业应用
DWS VSD⁺ 系列采用坚固耐用的设计,可延长正常运行时间。保养间隔更长,维护成本低。
运行成本
变速驱动 (VSD) 技术可优化能耗,从而大幅节约能源。此外,紧凑型设计可减少在生产车间或机房中占用的空间。
环保
DWS VSD⁺ 的干式螺杆技术意味着没有油污油雾的排放。它对环境的影响很小,并可降低经常性维护成本。
清洁技术
坚固耐用的设计
在阿特拉斯·科普柯,为客户创造价值和为环境保护提供清洁技术推动着我们的创新。通过以客户为中心的创新产品系列提高客户的生产效率,使我们成为“工业之心· 创想之源”。我们大力投资可提供以下优势的技术:更高的生产效率、非常低的能耗、操作简便的控制、简单的维护和更低的运营成本。新型 DWS VSD⁺ 干式螺杆真空泵是解决方案驱动型功能的良好体现。
螺杆真空技术是包装、干燥、电子、等离子工艺、LED 制造和太阳能等诸多应用的理想解决方案。该技术清洁高效,能够提供大量便利。
预接线和系统化
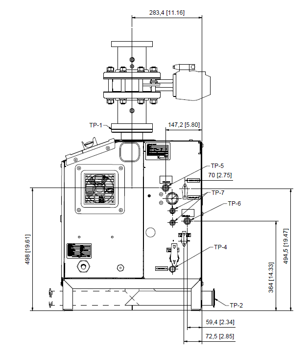
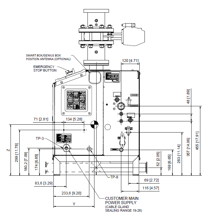
• 坚固耐用的紧凑型机壳符合 IP54 要求
• 电气连接件已连接、接线和组装
• 即插即用,易于安装
坚固的构造和设计巧妙的部件
• 可靠的恒定流量冷却系统
• 可靠的新型吹扫系统,包括手动气镇装置
• 非接触式长寿命密封件,可实现高效密封



